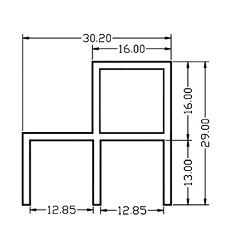
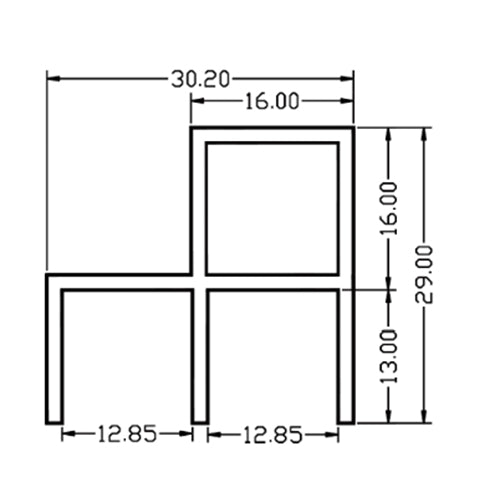
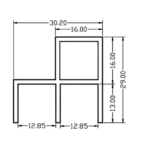
Perfil Guia Superior Para Puertas Corredizas. Anodizado. 3 Mts.

ARMSTRONGCódigo: C-A3310-04(anod)3m
0 reseña

Precio:
Precio de venta$34.00

Gastos de envío calculados en Checkout

Stock:
En inventario, listo para despachar

Retiro disponible en Empresas Carbone Calle 5ta Río Abajo Info

Normalmente está listo en 4 horas

Descripción

Haga click para descargar fichas técnicas y demás archivos:

  1. Ficha-Tecnica-C-A3310-04(anod)3m-perfil-guia